雷達水位計
型號:FT-LD1 發布日期:2026-02-03 13:05:08
雷達水位計又稱一體式雷達水位計,雷達水位計是一款采用高頻微波雷達技術的水位計,通過傳感器發射電磁波照射水面并接收回波,由此分析獲得水面至電磁波發射點的距離、方位等信息。


型號:FT-LD1 發布日期:2026-02-03 13:05:08
雷達水位計又稱一體式雷達水位計,雷達水位計是一款采用高頻微波雷達技術的水位計,通過傳感器發射電磁波照射水面并接收回波,由此分析獲得水面至電磁波發射點的距離、方位等信息。
1、雷達水位計產品概述
雷達水位計又稱一體式雷達水位計,雷達水位計是一款采用高頻微波雷達技術的水位計,通過傳感器發射電磁波照射水面并接收回波,由此分析獲得水面至電磁波發射點的距離、方位等信息。
雷達水位計是專門針對水位測距設計的,該模塊采用FMCW模式,非接觸式安裝設計,體積小巧,結構緊湊。精度高,功耗低,抗干擾能力強,適用于湖泊河流、山洪預警、蓄水池、污水管網等水位監測。

2、雷達水位計產品主要參數指標
| 參數 | 符號 | 最小值 | 典型值 | 最大值 | 單位 | 說明 | |
| 發射機 | |||||||
| 發射頻率 | ? | 77 | 81 | GHz | 帶寬 4G | ||
| 輸出功率(EIRP) | Pout | 13 | 20 | dBm | |||
| 天線角度(參考圖4) | |||||||
| 波束寬度 | (-3dB) | 水平方向 | 14 | ° | |||
| 垂直方向 | 10 | ° | |||||
| 電源 | |||||||
| 工作電壓 | VCC | 9 | 12 | 24 | V | ||
| 工作電流 | ICC | 20 | mA | 典型值 | |||
| 環境 | |||||||
| 工作溫度 | TOP | ﹣45 | +85 | ℃ | |||
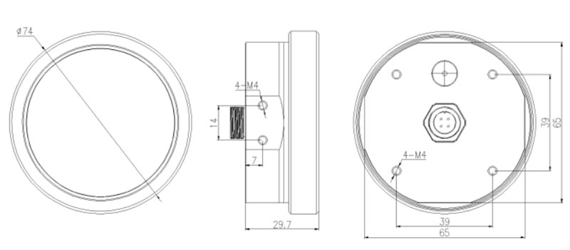
| 尺寸(長x 寬x 高) | Φ74 x 29.7(帶外殼),60x38x1.2(模塊) | mm | |||||
| 重量 | 100 | g | |||||
| 測量指標: | |||||||
| 測距范圍 | 0.1~40m | ||||||
| 測量精度 | ±5mm | ||||||
| 分辨率 | 1mm | ||||||
| 數據刷新 | 40ms 最快 | ||||||
說明:雷達工作頻段為80GHz,測距的范圍40米為最大測量范圍,根據物體
RCS 的大小,探測距離的最大值會有偏差。
3、雷達水位計產品尺寸
